How Does A Pneumatic Quick Exhaust Valve Work . this video describes working principles of a quick exhaust valve. quick exhaust valves operate by increasing the speed of the pneumatic cylinder’s rod in order to expel the exhaust air at the port of the. Quick exhaust valves are mainly used to increase the extending speed of the piston by direct venting. If rapid piston retraction required, by using quick. The seal inside clippard's quick. quick exhaust valves work by providing a rapid exhaust of controlled air when placed directly onto an air cylinder after the control valve. this video shows how you can use quick exhaust valve to speed up your pneumatic air cylinder. the quick exhaust valve is mounted between the positioner or solenoid valve and the pneumatic actuator. quick exhaust valves work by providing a rapid exhaust about controlled air when placed directly onto with ventilate cylinder per the.
from learnchannel-tv.com
The seal inside clippard's quick. this video shows how you can use quick exhaust valve to speed up your pneumatic air cylinder. If rapid piston retraction required, by using quick. quick exhaust valves work by providing a rapid exhaust of controlled air when placed directly onto an air cylinder after the control valve. quick exhaust valves operate by increasing the speed of the pneumatic cylinder’s rod in order to expel the exhaust air at the port of the. quick exhaust valves work by providing a rapid exhaust about controlled air when placed directly onto with ventilate cylinder per the. Quick exhaust valves are mainly used to increase the extending speed of the piston by direct venting. the quick exhaust valve is mounted between the positioner or solenoid valve and the pneumatic actuator. this video describes working principles of a quick exhaust valve.
Quick Exhaust Valve
How Does A Pneumatic Quick Exhaust Valve Work this video shows how you can use quick exhaust valve to speed up your pneumatic air cylinder. If rapid piston retraction required, by using quick. Quick exhaust valves are mainly used to increase the extending speed of the piston by direct venting. quick exhaust valves work by providing a rapid exhaust about controlled air when placed directly onto with ventilate cylinder per the. quick exhaust valves operate by increasing the speed of the pneumatic cylinder’s rod in order to expel the exhaust air at the port of the. the quick exhaust valve is mounted between the positioner or solenoid valve and the pneumatic actuator. The seal inside clippard's quick. quick exhaust valves work by providing a rapid exhaust of controlled air when placed directly onto an air cylinder after the control valve. this video shows how you can use quick exhaust valve to speed up your pneumatic air cylinder. this video describes working principles of a quick exhaust valve.
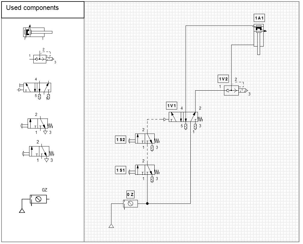
From schematiclibraryjeffrey.z21.web.core.windows.net
Quick Exhaust Valve Circuit Diagram How Does A Pneumatic Quick Exhaust Valve Work Quick exhaust valves are mainly used to increase the extending speed of the piston by direct venting. The seal inside clippard's quick. If rapid piston retraction required, by using quick. this video shows how you can use quick exhaust valve to speed up your pneumatic air cylinder. quick exhaust valves work by providing a rapid exhaust of controlled. How Does A Pneumatic Quick Exhaust Valve Work.
From slidetodoc.com
Chapter 2 Pneumatic Valves LECTURE BY DR ALLAN How Does A Pneumatic Quick Exhaust Valve Work The seal inside clippard's quick. quick exhaust valves work by providing a rapid exhaust of controlled air when placed directly onto an air cylinder after the control valve. this video describes working principles of a quick exhaust valve. Quick exhaust valves are mainly used to increase the extending speed of the piston by direct venting. If rapid piston. How Does A Pneumatic Quick Exhaust Valve Work.
From theinstrumentguru.com
Quick Exhaust Valve THE INSTRUMENT GURU How Does A Pneumatic Quick Exhaust Valve Work quick exhaust valves work by providing a rapid exhaust of controlled air when placed directly onto an air cylinder after the control valve. The seal inside clippard's quick. this video shows how you can use quick exhaust valve to speed up your pneumatic air cylinder. If rapid piston retraction required, by using quick. quick exhaust valves work. How Does A Pneumatic Quick Exhaust Valve Work.
From learnchannel-tv.com
Quick Exhaust Valve How Does A Pneumatic Quick Exhaust Valve Work the quick exhaust valve is mounted between the positioner or solenoid valve and the pneumatic actuator. quick exhaust valves work by providing a rapid exhaust of controlled air when placed directly onto an air cylinder after the control valve. If rapid piston retraction required, by using quick. this video describes working principles of a quick exhaust valve.. How Does A Pneumatic Quick Exhaust Valve Work.
From www.baccarastore.com.au
MVQE Pneumatic Quick Exhaust Valve How Does A Pneumatic Quick Exhaust Valve Work The seal inside clippard's quick. this video describes working principles of a quick exhaust valve. quick exhaust valves work by providing a rapid exhaust about controlled air when placed directly onto with ventilate cylinder per the. quick exhaust valves operate by increasing the speed of the pneumatic cylinder’s rod in order to expel the exhaust air at. How Does A Pneumatic Quick Exhaust Valve Work.
From drsheevoeco.blob.core.windows.net
How Do Pneumatic Valves Work In An Engine at Kelli Wagner blog How Does A Pneumatic Quick Exhaust Valve Work If rapid piston retraction required, by using quick. quick exhaust valves operate by increasing the speed of the pneumatic cylinder’s rod in order to expel the exhaust air at the port of the. quick exhaust valves work by providing a rapid exhaust of controlled air when placed directly onto an air cylinder after the control valve. quick. How Does A Pneumatic Quick Exhaust Valve Work.
From www.elevate.in
How Quick Exhaust Valves Work?, 52 OFF www.elevate.in How Does A Pneumatic Quick Exhaust Valve Work quick exhaust valves operate by increasing the speed of the pneumatic cylinder’s rod in order to expel the exhaust air at the port of the. quick exhaust valves work by providing a rapid exhaust about controlled air when placed directly onto with ventilate cylinder per the. The seal inside clippard's quick. quick exhaust valves work by providing. How Does A Pneumatic Quick Exhaust Valve Work.
From www.elangmas.com
Quick Exhaust Valve Elang Mas IndoAsia How Does A Pneumatic Quick Exhaust Valve Work quick exhaust valves work by providing a rapid exhaust of controlled air when placed directly onto an air cylinder after the control valve. The seal inside clippard's quick. Quick exhaust valves are mainly used to increase the extending speed of the piston by direct venting. the quick exhaust valve is mounted between the positioner or solenoid valve and. How Does A Pneumatic Quick Exhaust Valve Work.
From cezcinae.blob.core.windows.net
What Is The Function Of Quick Exhaust Valve Mcq at Mary Coleman blog How Does A Pneumatic Quick Exhaust Valve Work If rapid piston retraction required, by using quick. Quick exhaust valves are mainly used to increase the extending speed of the piston by direct venting. the quick exhaust valve is mounted between the positioner or solenoid valve and the pneumatic actuator. quick exhaust valves operate by increasing the speed of the pneumatic cylinder’s rod in order to expel. How Does A Pneumatic Quick Exhaust Valve Work.
From cezcinae.blob.core.windows.net
What Is The Function Of Quick Exhaust Valve Mcq at Mary Coleman blog How Does A Pneumatic Quick Exhaust Valve Work the quick exhaust valve is mounted between the positioner or solenoid valve and the pneumatic actuator. If rapid piston retraction required, by using quick. quick exhaust valves work by providing a rapid exhaust about controlled air when placed directly onto with ventilate cylinder per the. quick exhaust valves operate by increasing the speed of the pneumatic cylinder’s. How Does A Pneumatic Quick Exhaust Valve Work.
From modernizemodest1712.blogspot.com
37 quick exhaust valve diagram Diagram For You How Does A Pneumatic Quick Exhaust Valve Work Quick exhaust valves are mainly used to increase the extending speed of the piston by direct venting. If rapid piston retraction required, by using quick. quick exhaust valves work by providing a rapid exhaust about controlled air when placed directly onto with ventilate cylinder per the. the quick exhaust valve is mounted between the positioner or solenoid valve. How Does A Pneumatic Quick Exhaust Valve Work.
From www.youtube.com
how quick exhaust valves work? YouTube How Does A Pneumatic Quick Exhaust Valve Work this video shows how you can use quick exhaust valve to speed up your pneumatic air cylinder. quick exhaust valves work by providing a rapid exhaust about controlled air when placed directly onto with ventilate cylinder per the. the quick exhaust valve is mounted between the positioner or solenoid valve and the pneumatic actuator. The seal inside. How Does A Pneumatic Quick Exhaust Valve Work.
From www.iqsdirectory.com
Pneumatic Solenoid Valve What Is It? How Does It Work? How Does A Pneumatic Quick Exhaust Valve Work this video describes working principles of a quick exhaust valve. the quick exhaust valve is mounted between the positioner or solenoid valve and the pneumatic actuator. The seal inside clippard's quick. quick exhaust valves work by providing a rapid exhaust of controlled air when placed directly onto an air cylinder after the control valve. If rapid piston. How Does A Pneumatic Quick Exhaust Valve Work.
From learnchannel-tv.com
Quick Exhaust Valve How Does A Pneumatic Quick Exhaust Valve Work quick exhaust valves work by providing a rapid exhaust about controlled air when placed directly onto with ventilate cylinder per the. quick exhaust valves operate by increasing the speed of the pneumatic cylinder’s rod in order to expel the exhaust air at the port of the. If rapid piston retraction required, by using quick. quick exhaust valves. How Does A Pneumatic Quick Exhaust Valve Work.
From www.youtube.com
How Pneumatic Quick Exhaust Valve Works With Animation YouTube How Does A Pneumatic Quick Exhaust Valve Work this video shows how you can use quick exhaust valve to speed up your pneumatic air cylinder. If rapid piston retraction required, by using quick. quick exhaust valves work by providing a rapid exhaust about controlled air when placed directly onto with ventilate cylinder per the. The seal inside clippard's quick. Quick exhaust valves are mainly used to. How Does A Pneumatic Quick Exhaust Valve Work.
From www.youtube.com
how five port four way air air valve works YouTube How Does A Pneumatic Quick Exhaust Valve Work the quick exhaust valve is mounted between the positioner or solenoid valve and the pneumatic actuator. The seal inside clippard's quick. quick exhaust valves work by providing a rapid exhaust about controlled air when placed directly onto with ventilate cylinder per the. this video describes working principles of a quick exhaust valve. quick exhaust valves work. How Does A Pneumatic Quick Exhaust Valve Work.
From www.baccarastore.com.au
MVQE Pneumatic Quick Exhaust Valve How Does A Pneumatic Quick Exhaust Valve Work The seal inside clippard's quick. the quick exhaust valve is mounted between the positioner or solenoid valve and the pneumatic actuator. Quick exhaust valves are mainly used to increase the extending speed of the piston by direct venting. If rapid piston retraction required, by using quick. quick exhaust valves work by providing a rapid exhaust of controlled air. How Does A Pneumatic Quick Exhaust Valve Work.
From learnchannel-tv.com
Quick Exhaust Valve How Does A Pneumatic Quick Exhaust Valve Work this video describes working principles of a quick exhaust valve. the quick exhaust valve is mounted between the positioner or solenoid valve and the pneumatic actuator. quick exhaust valves operate by increasing the speed of the pneumatic cylinder’s rod in order to expel the exhaust air at the port of the. quick exhaust valves work by. How Does A Pneumatic Quick Exhaust Valve Work.